In the first and second parts of this series we recreated and fixed our previously broken ride-on car using the power of SOLIDWORKS and SOLIDWORKS Electrical. Now that it’s up and running, our final mission is to give it a quick upgrade. We have the need for speed! In this blog, we’ll start by planning our upgrade and wiring it up in SOLIDWORKS Electrical Schematics and along the way we’ll double-check that everything fits well in 3D.
The biggest goal of this upgrade is to make our car speedier, so we’ll modify everything based on a battery upgrade from 12 volts to 24 volts. For this type of upgrade, it is important that we reevaluate our motor, gearbox, and tire choices, making sure that we won’t burn anything out along the way. It’s also going to be important that we make sure our new battery/batteries will fit in the front compartment of our car.
Before we get going, it’s always a good idea to make a revision and keep a copy of our work as it is. SOLIDWORKS Electrical allows us to do this with built-in revision control and, one of my favorite features, Snapshots. Let’s jump into the software and do this together.

One simple way to archive our work as it currently is would be to simply go to Process > Take snapshot and Archive our project using this functionality so that it will show up in our Snapshots manager. In this case, however, we want to make an actual revision and there’s a shortcut for making a snapshot through our revisions manager, so let’s go that route.
We can start by right-clicking our Book in our Document Tree and selecting Revisions… .

This brings up Revisions management and we can see that no revisions have been made so far. To make a new revision, we first need to click the Validate button and then the Verify button. Please note that these buttons might also be checked by separate engineers, but since we are doing this ourselves, we get to do it all!

Once the current revision has been validated and verified, we will want to close out of our revision manager and re-open it. This will give us the option to add a New revision as can be seen below.

When we click the New revision button, an option pops up for us to save a PDF of our work as it is. I went ahead and exported the book. Next, an option pops up to take a snapshot. This is AWESOME! I still remember the year this feature was added and how happy everyone was to see it. Of course, we select Take snapshot since this is a major revision.

Once we click this button, SOLIDWORKS Electrical actually Archives our project and stores it in a special folder within the SOLIDWORKS Electrical Data folder. This allows us to return to the state the project was in at the time the revision was made at any time… you know – in case we make a mistake or want to take the project in a different direction.
Now that our project is saved, let’s get to modifying! First things first, we want to swap out our battery. I jumped online and found several 24 volt batteries with a reasonable price tag, but there’s a problem – after looking at the dimensions and comparing them with our model, we can see that none of them fit! Bummer. What to do? A quick Control + Click & Drag of our original 12 volt battery (this is equal to a copy/paste), along with a slight repositioning allows us to see that we can instead use two of our 12 volt batteries, connected in series. Brilliant! Let’s jump into SOLIDWORKS Electrical Schematics and update our Line Diagram and Schematic.
To update our Line Diagram, all we need to do is Copy/Paste our original BAT1 symbol. SOLIDWORKS Electrical automatically creates a new component and attaches the same part while increasing the number after the Root Mark for us.

Now that our component is added to our project, we can open our schematic, find BAT2 in our component tree, and simply Right-Click > Insert before selecting our symbol. After placing our symbol we can extend our wires by drawing off of our existing wires. In this case, we don’t even have to select a wire type – SOLIDWORKS Electrical automatically matches the wire type we are drawing off of for us.
Once we place our second battery, we can see a small problem – the +12V and -12V terminals need to be swapped! Luckily, all we need to do here is Right-Click > Orientation > Invert.

This flips our leads around, allowing us to keep our schematic nice and clean. So easy!
Now the only thing left to do is to upgrade our electric motors and our gearboxes. We previously purchased an assembly of the two put together, so I went ahead and searched for another one of these, but with upgraded parts… and I found it. Thanks, ML Toys! This assembly includes 775 motors with internal cooling fans and a 7R Gearbox Mold with improved tolerances. The first gears are also made of hardened steel with ball bearings instead of plastic. I did some research and, with this new gearbox-battery combination, we should get a lot more low-end power in addition to a speed boost. This is a serious upgrade and is perfect for what we need!
Now that we know exactly what we need, let’s quickly create a part and switch it out with our old gearbox assembly. The easiest way to create our new part is to Copy/Paste/Modify from the part we are replacing in our Library. To do this, all we need to do is go to Library > Manufacturer Parts Manager, find our original part and Right-Click > Add manufacturer part… and change a few things.

The most important thing to change is the Reference because this is what makes it a unique part. I also updated the web link under User Data 1.

Now that we’ve created our part, all we need to do is update our component with the new part. To do this, we can double-click MOT1, delete the old part, and add the new one.
Note: If we want to use the same 3D model (we do in this case – everything is the same size and looks basically the same), we will want to open our assembly up and Right-click > Dissociate for MOT1 and MOT2 before deleting these parts in 2D. This will allow us to reassociate later. Otherwise SOLIDWORKS Electrical will delete the 3D Model from our assembly when we delete our part.

Voila! We’re actually 99% done updating everything since our symbols automatically update in both the Line Diagram and the Schematic. The (second to) last thing left to do is to renumber our wires and we could potentially re-route our wires quickly in 3D as well. However, since the wire length update is so minimal here, I opted to skip this step. Instead, I decided to manually add a length in 2D by simply Right-Clicking the wire between the two motors > Wire Properties and selecting the wire itself. This opens a properties dialogue box and we can manually put in a length here as can be seen below.

Note: If we ever do decide to route wires in 3D, this length will automatically be update with the new, calculated length.
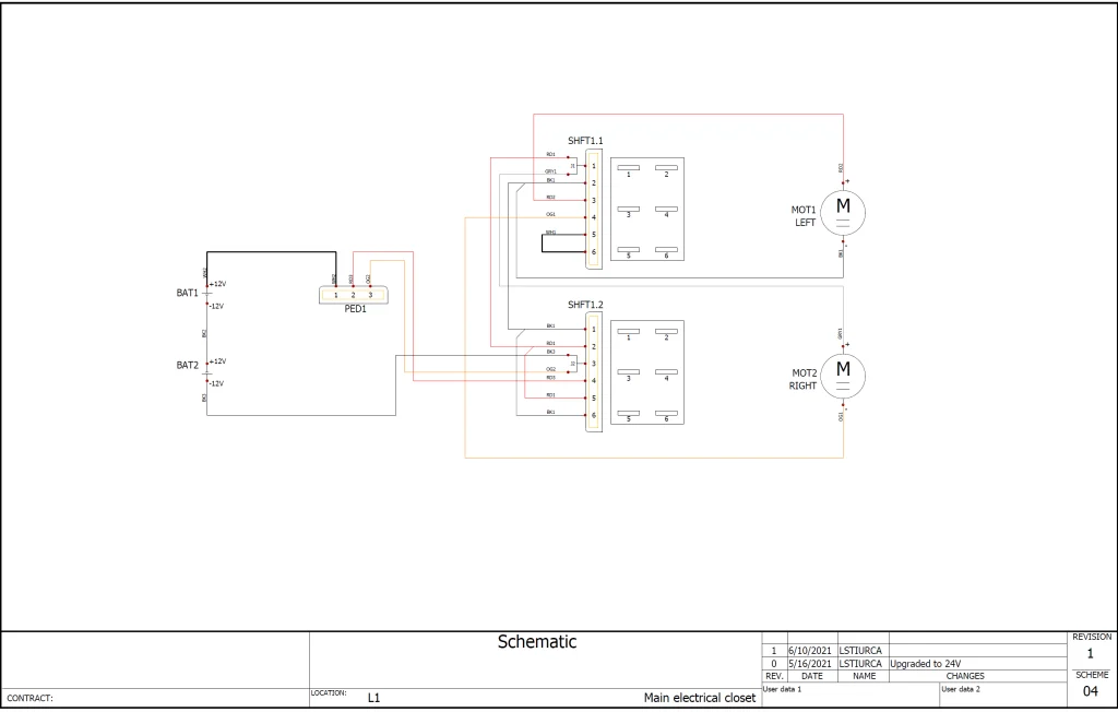
To renumber wires, I went to Process > Renumber Wires, choosing to renumber all of our wires for the whole project. Here’s what our Schematic looks like:

Our final step is updating our reports. The simplest way to do this is to Right-Click the report we want to update in our Document Tree and select Update report drawings.

In a matter of seconds, everything is up-to-date and in sync. I didn’t have to switch back and forth between pages, double-checking that everything matches. So good.
Here’s the final result after we Validate and Verify our revision:






(and the PDF with links if you’re interested) Notice how the revision number automatically updates in our title blog along with the date and name of the author. I also added a specific note in the CHANGES section for the schematic sheet by right-clicking the sheet and editing the specific revisions information there. So easy!
Now that our car is upgraded, it’s time to DRIVE! Unfortunately, we are still waiting on the parts to come in for this, but as soon as they’re here and installed we’re going to be absolute speed demons.
Thanks for following along! As always, please be sure to comment below if you have any questions, concerns, or ideas for future topics you would like to see covered. Bye for now!

