July 18, 2025 · Margherita Bassi
Behind the Design: Yahya Khedr, “Not Because I’m Paid to Do It, but Because I Love Doing It”
Read article

Wonders of Weldments
3+ Way Mitres in Weldments When building steel frames, particularly in circular…
September 6, 2012

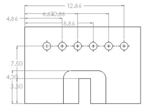
Assembly Visualization – the search for the missing...
Releasing your drawings to the machine shop with missing information makes a…
July 20, 2012

Clean Up Your SolidWorks Drawings With Auto Arrange...
One of my favorite enhancements to drawings over the past couple of…
June 18, 2012